PRODUCTS
产品中心 —
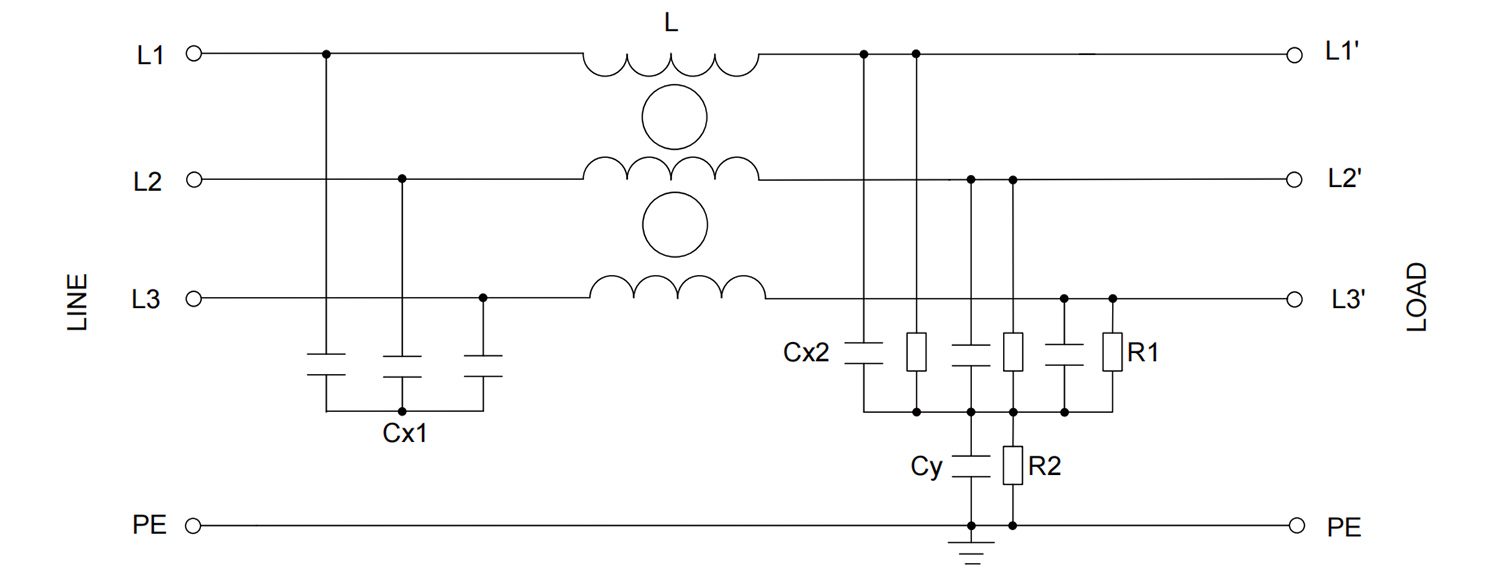
LYI121三相输入通用滤波器
解决方案
CONTACT INFORMATION
联系我们
江苏省江阴市周庄镇世纪大道南段1111号
0510-86916300
214400
sales@jslvyan.com
0510-86916300
OFFICIAL ACCOUNTS
公众号
欢迎关注我们的官方公众号
ONLINE MESSAGE
联系方式
Copyright © 2023 江阴绿研电气科技有限公司 版权所有 All Rights Reserved
苏公网安备32028102003460号 技术支持:云小度 苏ICP备2023049235号



