产品展示

PRODUCTS

产品中心 —

您现在的位置:
首页
/
/
/
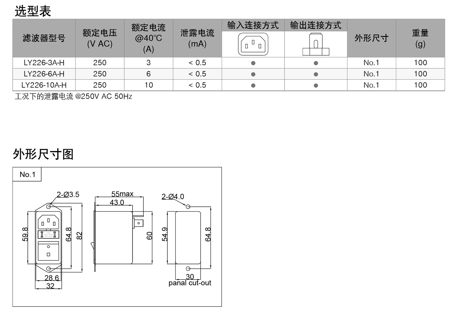
LY226单相紧凑型双保险带开关插座滤波器

LY226单相紧凑型双保险带开关插座滤波器

浏览量:
1
浏览量:
1
产品描述
产品参数
• 额定电流 3~10A
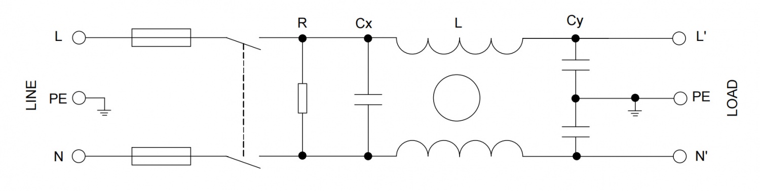
• 良好的共模和差模干扰抑制特性
• 通用、小巧、方便安装
• IEC 标准插口接线方式,带开关功能,双保险丝安全保护
• 可选医疗型(M)
• 适用于电气和电子设备、医疗设备

相关产品

LY131三相四线单级滤波器
更多 白箭头
LY3258三相高性能滤波器
更多 白箭头
LYI121三相输入通用滤波器
更多 白箭头
LY232单相双级导轨端子台滤波器
更多 白箭头
LY231单相双级端子台滤波器
更多 白箭头

解决方案

电机驱动系统解决方案

全面的工业级继电器解决方案

变频器电能质量解决方案

CONTACT INFORMATION

联系我们

江苏省江阴市周庄镇世纪大道南段1111号
0510-86916300
214400
sales@jslvyan.com
0510-86916300

OFFICIAL ACCOUNTS

公众号

欢迎关注我们的官方公众号

ONLINE MESSAGE

联系方式

留言应用名称:
客户留言
描述:

Copyright © 2023 江阴绿研电气科技有限公司 版权所有 All Rights Reserved    苏公网安备32028102003460号   技术支持:云小度   苏ICP备2023049235号

搜索