PRODUCTS
产品中心 —
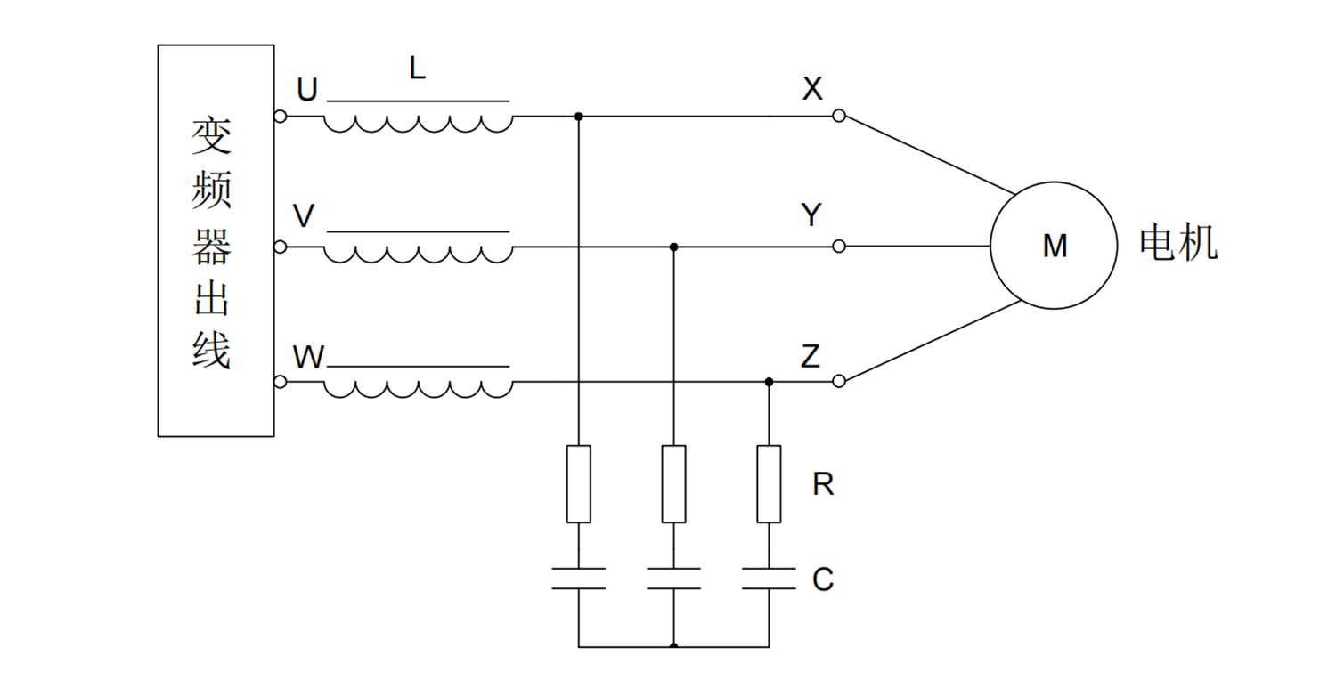
dv/dt滤波器(VTL)
产品介绍:
有效降低变频电动机端的 dv/dt,防止传输电缆和电机线圈的过早老化和击穿,降低对邻近设备或线路的干扰传播,减少电机接地泄漏电流,延长电动机的使用寿命,提高电动机的可靠性和正常运行时间,有效降低电机端脉冲尖峰电压。
• JB9644-1999 Reactors used for semiconductor electrical driving
解决方案
CONTACT INFORMATION
联系我们
江苏省江阴市周庄镇世纪大道南段1111号
0510-86916300
214400
sales@jslvyan.com
0510-86916300
OFFICIAL ACCOUNTS
公众号
欢迎关注我们的官方公众号
ONLINE MESSAGE
联系方式
Copyright © 2023 江阴绿研电气科技有限公司 版权所有 All Rights Reserved
苏公网安备32028102003460号 技术支持:云小度 苏ICP备2023049235号



